杭州華立DDS28是單相電表,單相電表接線圖也分為直通式和互感式的,一般單相電表還是直通式的用的比較多,比如我們日常用電用的電表都是直通式的單相電表,那么購買了杭州華立DDS28怎么接線呢,其實每只電表上面的表蓋上面都是有接線圖的哦!看不懂沒關系,現在浩寧科技小編手把手教您哦!
杭州華立DDS28接線圖直通式:

從1號口進線,2號口出線
從3號口進線,4號口出線
這種是最簡單的進線方法,接下來我們再來看看杭州華立DDS28的互感器式接線方法,一般單相電表互感器式的電流規格為1.5(6)A,單相電表互感器式接線有兩種方法。
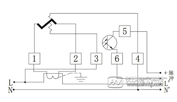
杭州華立DDS28接線圖互感式:
◆方法一:

1號口和2號口接互感器K1和K2口
3號口進線,6號口一端接5號口出線,4號口接地線
◆方法二:

1號口和2號口接互感器K1和K2口
3號口進線,4號線接入地線
